正能量入口,正能量免费网,网站免费正能量软件,网站免费正能量直接进入

欢迎来到新乡市正能量入口机械设备有限公司网站!
一个电话,为你解决所有问题。
联系电话
水泥振动输送输送形式
发布时间:2022/7/7 9:28:20 浏览:
 

水泥振动输送机:

水泥振动输送输送形式采用振动电机作为振动源、使物料被抛起同时向前做直线运动,达到输送的目的;结构形式分为敞开式、封闭式、输送形式可分为槽式输送或管式输送,电机位置可上、下或侧面装配;该机型结构简单、安装、维修方便、能耗低、无粉尘溢散、噪音等优点。广泛应用于冶金、煤炭、建材化工、食品等行业中的粉状及颗粒状物料输送。

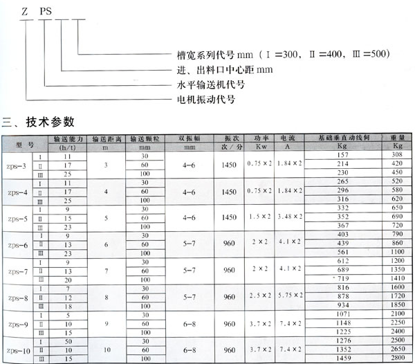
正能量入口振动给料机型号说明:

zps振动水平输送机


正能量入口振动输送机外形尺寸:

振动水平输送机型号

正能量入口的位置

联系方式

新乡市正能量入口机械设备有限公司
联系人:尚经理
手机:15736969926
邮箱:3043144287@qq.com
地址:河南省新乡西环工业园区

版权所有(C)新乡市正能量入口机械设备有限公司 正能量免费网 网站免费正能量软件 不锈钢正能量免费网 网站免费正能量直接进入 滚筒筛选机 直线正能量免费网 推广策划:新乡企翔网络公司 网站备案:豫ICP备39430739号
网站地图